Hurby xj Posted September 2, 2025 Report Posted September 2, 2025 Probleempje met jeep xj van 1990 6 cilinder 4ltr. Koude start doet hij gelijk, zet ik hem weer uit start ik hem geen probleem, rij ik 10 km normaal, zet hem uit en na 1min start hij gelijk weer. We doen bezorgwerk met de jeep. Ga ik naar binnen en kom ik na 10 min naar buiten. Draait wel de start motor en dan geeft de bobine geen spark en hoor ook dat de injectoren niet klepperen. Probeer hem dan 4 of 5 keer te starten doet hij niks. Wacht ik een +/- 10 minuten. Dan start hij wel ????? ANWB er bij gehaald en alles gecontroleerd van bobine en bedrading en relais maja na 10 min start hij wel weer. En dit gebeurd random een maand geen probleem en dan drie dagen achter elkaar weer dit probleem. We proberen er elke dag mee te rijden. HELP… Quote
Hurby xj Posted September 2, 2025 Author Report Posted September 2, 2025 24 minutes ago, Hurby xj said: Probleempje met jeep xj van 1990 6 cilinder 4ltr. Koude start doet hij gelijk, zet ik hem weer uit start ik hem geen probleem, rij ik 10 km normaal, zet hem uit en na 1min start hij gelijk weer. We doen bezorgwerk met de jeep. Ga ik naar binnen en kom ik na 10 min naar buiten. Draait wel de start motor en dan geeft de bobine geen spark en hoor ook dat de injectoren niet klepperen. Probeer hem dan 4 of 5 keer te starten doet hij niks. Wacht ik een +/- 10 minuten. Dan start hij wel ????? ANWB er bij gehaald en alles gecontroleerd van bobine en bedrading en relais maja na 10 min start hij wel weer. En dit gebeurd random een maand geen probleem en dan drie dagen achter elkaar weer dit probleem. We proberen er elke dag mee te rijden. HELP… Quote
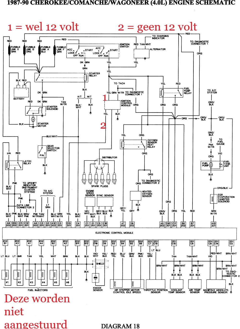
Hurby xj Posted September 2, 2025 Author Report Posted September 2, 2025 12 minutes ago, Hurby xj said: dit is de situatie als hij niet start. Quote
REAL STRANGLER Posted September 2, 2025 Report Posted September 2, 2025 Ik raad je aan in ieder geval de krukassensor te vernieuwen als dat de laatste jaren nog niet gedaan is. Koop wel een goede. Succes, Siert. Quote
Hurby xj Posted September 2, 2025 Author Report Posted September 2, 2025 1 hour ago, REAL STRANGLER said: Ik raad je aan in ieder geval de krukassensor te vernieuwen als dat de laatste jaren nog niet gedaan is. Koop wel een goede. Succes, Siert. is besteld !! wel lastig te vernieuwen zie ik.. Quote
mike m Posted September 2, 2025 Report Posted September 2, 2025 4 uur geleden zei REAL STRANGLER: Ik raad je aan in ieder geval de krukassensor te vernieuwen als dat de laatste jaren nog niet gedaan is. Koop wel een goede. Succes, Siert. gewoon voor mopar gaan geen crown en dat soort meuk Quote
Hurby xj Posted September 3, 2025 Author Report Posted September 3, 2025 18 hours ago, mike m said: gewoon voor mopar gaan geen crown en dat soort meuk en waar is die mopar te verkrijgen?? Quote
mike m Posted September 15, 2025 Report Posted September 15, 2025 Op 3/9/2025 om 1:01 PM zei Hurby xj: en waar is die mopar te verkrijgen?? is het merk dat jeep gebruikt Quote
Recommended Posts
Join the conversation
You can post now and register later. If you have an account, sign in now to post with your account.